반응형

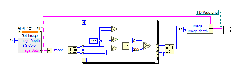
1. 컨트롤 인보크 노드의 Get Image 생성
2. Image Depth = 24 필수
3. 이미지 파일의 각 픽셀의 RGB값을 추출하여 255/255/255 (흰색)이면 0 아니면 255 설정 설정하여 추출하여 Image data 입 생성
**** 픽셀의 특정 이미지 색상을 투명하게 바꾸는 것도 가능
4. Image Depth = 32로 설정
5. *.png파일로 저장
반응형
'LabVIEW' 카테고리의 다른 글
| [LabVIEW] Program Language Rankings / 프로그램 언어 순위 - 랩뷰는 몇 위일까? (0) | 2022.12.19 |
|---|---|
| [LabVIEW] UTF-8 변환하기 (2) | 2022.12.12 |
| [LabVIEW] 호기심 테스트 #01 - While Loop Index 값은 무한 증가할까? (0) | 2022.09.14 |
| [LabVIEW] 랩뷰는 그래픽 프로그래밍 언어 (0) | 2022.09.13 |
댓글